LCD 和半导体设备中用来控制药液(包含蒸馏水) 流动的 (ON, OFF) Air Auto Valv. 半導体及びLCD 装備に使われる薬液(純水を含む)の流れをコントロールする(ON, OFF) Air Auto Valveです。 It’ s Air Auto Valve that control flowing of chemicals(distilled water inclusion) used in semiconductor LCD equipment. |  |
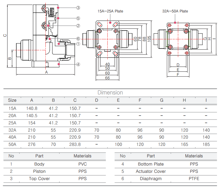
尺寸
规格
特点
Cv值
技术指标
选型
|